首页
走进崧野
新闻资讯
产品展示
检测设备
精密模具
生产设备
服务项目
人才招聘
客户反馈
联系我们
服务项目
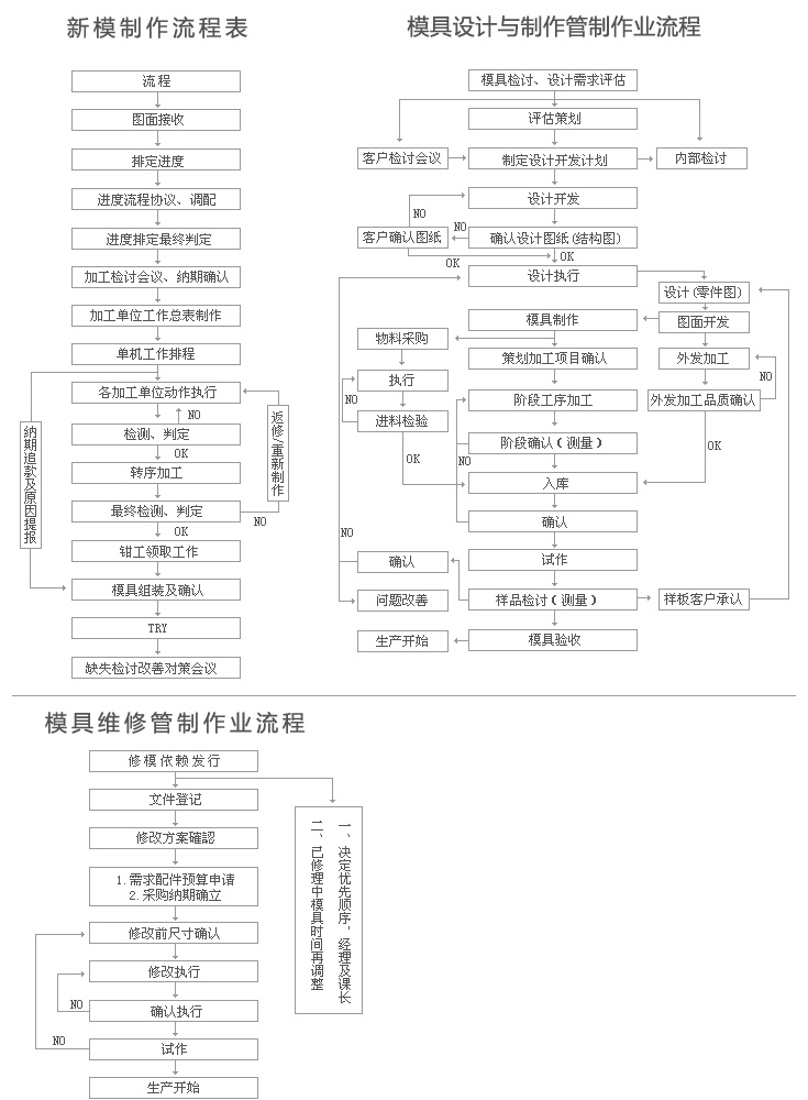
制模
模具设计
产品开发
制模
版权所有©东莞市崧野精密模具有限公司
粤ICP备10033415号
企业邮箱
地址:东莞市长安镇乌沙陈屋兴一路456号
电话:0769-81503088 81669782
Powered by
www.3reb.cn